Standard£ºANSI B16.5-1973¡¢JPI-75-15-70¡¢GB 699¡¢GB1220¡¢JB755¡¢HG20633-9
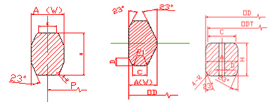
Note£ºThe material of the oval ring jont gasket must be 15~20HB lower than the hardness of flange,and this kind of gaskets is non-recyclable.
|
¡¡ The cross section |
![]() |



